|
|
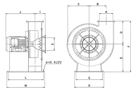
仕 様

| D | 処理風量 (㎥/min) | 静圧 (kpa) | 周波数 (Hz) | モーター | A | B | C | D | E | F | G | H | I | J | K | L | M | N | |||
| TC-1C | 10 | 10 | 1.2 | 1.7 | 50 | 60 | 0.75kwx2P | □130 | 165 | 180 | 180 | 230 | 410 | 290 | 324 | 91.5 | (281) | φ135 | 367 | 397 | φ12 |
| TC-2C | 15 | 15 | 1.5 | 2.4 | 50 | 60 | 1.5kwx2P | □160 | 200 | 250 | 270 | 330 | 600 | 310 | 344 | 120 | (343) | φ150 | 410 | 444 | φ12 |
| TC-3C | 20 | 20 | 1.5 | 2.3 | 50 | 60 | 2.2kwx2P | □200 | 230 | 265 | 270 | 340 | 610 | 340 | 376 | 160 | (363) | φ200 | 468 | 526 | φ15 |





